墊圈心部組織金相分析
鞍形彈簧墊圈,規格為M24,材質為65Mn,表面達克羅處理。安裝扭矩為670N•m,安裝在高強度的螺栓上,安裝的過程中發現墊圈開裂失效。
13.7.1 試驗過程與結果
故障件的斷裂位置均位于墊圈開口對邊的拱起處,即安裝后變形最大處,如圖13-57所示
圖13-57 斷裂墊圈宏觀形貌
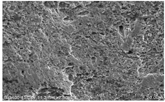
采用掃描電鏡對墊圈斷口進行低倍和高倍觀察:
墊圈斷口低倍觀察,可見斷面四周較平坦,心部粗糙,低倍形貌見圖13-58。
圖13-58 斷面宏觀形貌
墊圈斷口高倍觀察,斷口邊緣區域的微觀形貌為剪切韌窩形貌,見圖13-59。
圖13-59 斷面邊緣微觀形貌。
斷口心部區域的微觀形貌為沿晶斷裂,斷口為解理及韌窩的混合斷口,并伴有晶間二次裂紋,見圖13-60。
圖13-60 斷面心部形貌
金相組織及夾雜物檢查:
墊圈邊緣的金相組織有輕微脫碳,脫碳層厚度約為0.1mm,見圖13-61。
圖13-61 墊圈邊緣脫碳組織
墊圈心部金相組織,為回火屈氏體,見圖13-62。
圖13-62 墊圈心部金相組織
墊圈晶粒組織,墊圈經苦味酸腐蝕后,晶粒組織較細,未發現過熱過燒特征,晶粒度為6~7級,見圖13-63。
圖13-63 墊圈晶粒度組織
根據“GBT 10516-2005 鋼中非金屬夾雜物含量的測定方法”,對墊圈夾雜物檢查和評定,該墊圈夾雜物為A類,(硫化物夾雜、細系)2級,見圖13-64。
圖13-64墊圈非金屬夾雜物
對失效墊圈進行化學成分分析,其化學成分符合GB/T 1222-2007標準中對65Mn鋼的要求
對墊圈的硬度檢測結果,墊圈硬度為48.0~50.3HRC。
失效墊圈去除表面涂層后,對三個不同部位進行氫含量檢測,結檢測果為1.3 ppm~1.5 ppm,墊圈中只含有微量的氫。
13.7.2 分析與討論
墊圈表面脫碳會造成墊圈強度降低,但不會引起脆性開裂。
墊圈材質、晶粒度及非金屬夾雜物均符合標準要求,未發現低熔點金屬,金相組織正常,無過熱過燒,而且墊圈是在安裝過程中斷裂的,所以,可排除應力腐蝕及液態金屬致脆的可能。
墊圈達克羅工藝處理,達克羅工藝的優點就是無酸洗和電鍍,防止了滲氫和氫脆危險。氫含量檢測結果顯示墊圈材質中含有微量氫,但含量不高,斷口分析也表明,斷口為解理及韌窩的混合斷口,并伴有晶間二次裂紋,這不是氫脆斷裂的特征,而是脆性斷裂的特征
從墊圈硬度可推測該批墊圈的回火溫度較低,大約為360℃左右。墊圈的回火溫度低,造成了硬度過高;過高的硬度使墊圈塑性降低。脆性增加,在安裝應力作用下容易發生脆斷。
墊圈的熱處理回火溫度偏低,使墊圈的硬度過高,當墊圈在螺栓上安裝時,在安裝扭矩的作用下,墊圈受壓應力,在壓應力作用下墊圈開口對邊的拱起處,變形最大,墊圈拱起處一面受壓應力,而另一面受拉應力,在拉應力作用下產生裂紋,裂紋進一步擴展使墊圈脆性斷裂失效。
13.7.3 結論與啟示
(1)墊圈安裝時在安裝應力作用下,拱起處一面受壓應力,而另一面受拉應力,受拉應力作用的一面先產生裂紋,裂紋進一步擴展使墊圈斷裂失效。
(2)導致墊圈斷裂的原因是墊圈的熱處理回火溫度偏低,回火溫度偏低使墊圈硬度過高,在安裝應力作用下墊圈脆性斷裂。
(3)建議采用合適的回火溫度,控制墊圈回火后的硬度在合適的范圍內。





浙公網安備 33042402000106號 a>

