45鋼六角螺母開裂失效
規格為D28×0.3的波形墊圈,墊圈的材料為60Si2Mn,表面氧化處理。墊圈安裝時發生斷裂。
13.8.1 試驗過程與結果
故障墊圈整個已斷裂成幾段,墊圈斷裂部位均為墊圈的波峰和波谷部分,各斷口均無明顯塑性變形,呈脆性斷裂特征,見圖13-65。

圖13-65斷裂墊圈宏觀形貌
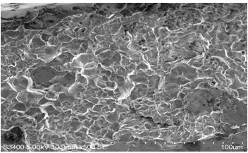
掃描電鏡微觀形貌觀察:裂紋起源于墊圈近表層,由外向內擴展,形成沿晶斷裂,瞬斷區有少量的剪切唇,并有少量韌窩,見圖13-66、圖1-67、圖13-68。
掃描電鏡能譜分析:對斷口能譜分析結果,未發現有害致脆元素。
圖13-66 墊圈斷口形貌
圖13-67 沿晶斷裂和韌窩形貌
圖13-68 剪切韌窩形貌
對斷裂墊圈進行維氏硬度檢測,檢測結果依據GB/T 1172-1999標準轉化成洛氏硬度,檢測結果:
檢測值580~586 HV5;轉換檢測值為51.1~52.5 HRC。
墊圈的實際硬度大部分超出了JB/T 7590-2005標準要求(標準值要求45~52HRC)。
顯微組織檢查,斷裂墊圈的顯微組織為回火屈氏體,表層無脫碳,見圖13-69。
圖13-69 回火屈氏體組織
13.8.2 分析與討論
波形墊圈安裝時處于壓平狀態,波形墊圈壓平時的受力情況為波峰面受壓應力,而另一面(波谷面)受拉應力。在拉應力作用下波谷面處容易成為裂源區,如果裂紋產生,裂紋在拉應力作用下就會快速擴展,使波形墊圈發生斷裂。
裂紋源區周圍無明顯加工缺陷,斷口平齊呈沿晶斷裂,晶粒輪廓清晰,混合有撕裂棱和韌窩,無腐蝕產物和塑性變形。這些特征表明波形墊圈斷裂為沿晶脆性斷裂。
墊圈的實際硬度超過要求的上限規定,導致脆性增加,由于墊圈硬度偏高出現了脆性斷裂。硬度超高的原因可能是回火溫度偏低或回火時間過短。
墊圈硬度高于51.0HRC,而該墊圈未經電鍍處理,斷口未發現有害致脆元素,也無脆性相析出。說明墊圈沿晶脆性斷裂與墊圈的硬度偏高有關,硬度高又與熱處理工藝不當有關。
13.8.3 結論與啟示
(1)墊圈的熱處理工藝不當,造成墊圈的實際硬度超出技術要求,導致墊圈脆性斷裂。
(2)制定合適的熱處理工藝,將墊圈硬度控制在要求范圍內,提高其使用可靠性,避免脆性斷裂。
(3)采用合適的硬度測試方法,避免因硬度測試方法不當得到不對的硬度值而改變熱處理生產工藝。因為,該波形墊圈產品標準中規定硬度要求為45~52HRC,而查閱硬度試驗標準,發現GB/T230.1-2009《金屬材料洛氏硬度試驗方法》中規定HRC可測試試樣的最小厚度約為0.96mm(按52.0HRC計算)。另外,GB/T4340.1-2009《金屬材料維氏硬度試驗方法》中規定HV5可測試試樣的最小厚度約為0.2 mm(按52.0HRC計算), HV10可測試試樣的最小厚度約為0.25 mm(按52.0HRC計算)。波形墊圈的名義厚度僅為0.3 mm,所以如果用HRC進行測量明顯不符合硬度試驗標準要求。零件厚度不足而被施加載荷相對很大,導致零件過度變形,必然使其檢測的硬度值遠低于零件的實際硬度,合理的硬度試驗方法是選用HV5或更小載荷對零件硬度進行測定。





浙公網安備 33042402000106號 a>

