壓鋼鉚螺釘斷面斷口失效分析
某汽車壓鉚螺釘, 強度級別為9.8級,規格為M6×1.0-6g,材質為10B21,調質處理,硬度要求為27-36HRC,表面電鍍鋅。安裝完畢后一段時間發生斷裂。
螺釘位于光桿與螺紋相連的臺階處斷裂,見圖12-66。
(1)宏觀檢查
對斷裂螺釘宏觀檢查,斷裂螺釘的斷口平齊,無明顯宏觀塑性變形,斷口斷面較粗糙,斷口無明顯腐蝕產物及冶金缺陷,見圖12-67。
圖12-66 斷裂件外觀形貌 圖12-67 斷裂件斷口形貌
(2) 斷口掃描電鏡檢查
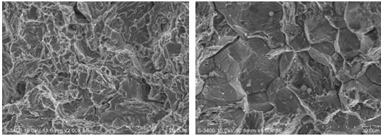
螺釘斷面的掃描電鏡低倍形貌檢查,為了便于分析,將斷面分為A、B、C、D、E五個區域進行描述,見圖12-68。
圖12-68 斷面掃描電鏡低倍形貌
螺釘斷面的掃描電鏡微觀形貌檢查,A區、B區微觀形貌,可見明顯的“冰糖狀”晶粒,晶面上存在“雞爪痕”形貌,并伴有晶間二次裂紋,見圖12-69、圖12-70、圖12-71所示。
C區微觀形貌,可見明顯的“冰糖狀”晶粒,晶面上存在“雞爪痕”形貌,并伴有晶間二次裂紋,見圖12-72所示。
D區微觀形貌,可見明顯的準解理形貌,見圖12-73所示。
E區微觀形貌,可見明顯的“冰糖狀”晶粒,晶面上存在“雞爪痕”形貌,并伴有晶間二次裂紋,見圖12-74所示。
(3)硬度檢測
對斷裂螺釘進行表表面和心部硬度試驗檢測,檢測結果(HV10):心部硬度為413~418;表面硬度與心部硬度基本相同為415~421 。
《SAE J1199 -2001》標準的硬度要求為279~354 HV10,檢測結果,表面、心部硬度均不滿足對于9.8級螺釘的要求,高出標準要求136~67 HV10。
圖12-69 斷面A區微觀形貌 圖12-70 斷面B區微觀形貌
圖12-71 斷面B區微觀形貌 圖12-72 斷面C區微觀形貌
圖12-73 斷面D區微觀形貌 圖12-74 斷面E區微觀形貌
(4)螺栓材質化學分析
采用直讀光譜法對螺釘進行化學成分分析,分析結果,根據《SAE J403-2001》標準規定,材質符合10B21鋼的要求。
(5)氫含量檢測
對斷裂螺釘進行氫含量檢測,檢測結果,氫含量 8.9ppm
斷裂螺釘材質符合10B21鋼要求,斷裂與材質無關。
螺釘心部硬度明顯高于標準規定,根據硬度-強度換算,斷裂螺釘的強度已經超出9.8級的性能要求,說明螺釘熱處理工藝不正常;表面硬度和心部硬度比標準要求高出很多。分析認為,螺釘熱處理回火溫度過低,造成螺釘硬度偏高。
螺釘經過電鍍鋅后除氫不好,使螺釘的氫含量大量存在。
斷口電鏡掃描可見大面積的“冰糖狀”晶粒,晶面上存在“雞爪痕”特征,并伴有晶間二次裂紋,是典型的氫脆斷口形貌。
一般緊固件的硬度在320HV(相當于10.9級螺栓硬度)以上時,電鍍后應及時驅氫,當硬度達到390 HV(相當于12.9級螺栓硬度)以上時應盡量杜絕采用酸洗、電鍍等表面處理方式。該批螺釘因熱處理工藝不當,其強度已超過12.9級,經電鍍處理后大量滲人的氫沒有除去,就存在了氫脆隱患。
對于高強度緊固件來說,強度越大,其氫脆敏感性就越高。
該批螺釘由于熱處理不當造成硬度和強度過高,又因為經電鍍處理滲氫后不能完全驅氫,遺留氫脆隱患,在安裝應力的作用下誘發氫脆延遲斷裂。
根據以上分析,可以得出如下結論與啟示:
(1)螺釘的斷裂性質是氫脆斷裂
(2)引起螺釘氫脆的根本原因是熱處理回火工藝不當造成硬度過高,電鍍滲氫不能完全去除,在安裝應力的作用下誘發氫致延遲斷裂。
(3) 對于高強度緊固件的再回火試驗,GB3098.1—2010規定為回火溫度為420℃,說明了高強度緊固件的回火工藝很重要,回火溫度低于420℃,就不能得到所需要的金相組織,硬度過高,存在回火脆性的危險。
(4) 高強度緊固件熱處理時,嚴格執行產品工藝,熱處理后得到所需的組織和硬度。
(5) 高強度緊固件電鍍處理后,及時除氫,并按除氫工藝進行除氫。






浙公網安備 33042402000106號 a>

