焊釘氫脆斷裂失效分析
采用Q195鋼制作的焊釘,在安裝時應用鐓鉚工藝把焊釘安裝到槽鋼上,起到與槽鋼連接的作用,安裝后在使用過程中部分焊釘發生斷裂。
15.5.1 試驗過程與結果
對安裝過程與故障件進行檢查:
焊釘鐓鉚安裝在槽鋼上,焊釘安裝好的完整件,如圖15-29。
部分鐓鉚安裝在槽鋼上的焊釘,在使用過程中發生斷裂,焊釘斷裂件的宏觀形貌,見圖15-30。
圖15-29 完好焊釘宏觀形貌 圖15-30 斷裂焊釘宏觀形貌
斷裂焊釘宏觀檢查:焊釘斷裂部位在焊釘頭部臺階位,如圖15-31虛線所示處。
斷口平整,整個斷面呈深灰色,無可見塑性變形,斷面有明顯解理棱線,呈脆性斷裂特征,斷口邊緣有明顯銹蝕痕跡(圖中園圈處),斷口宏觀形貌見圖15-32。
圖15-31 焊釘斷裂位置示意圖 圖15-32 斷口宏觀形貌
在掃描電鏡下觀察斷口形貌,斷口低倍觀察,斷裂源位置在圖中圈處,對應于圖15-20中的銹蝕(園圈處)處,判斷為焊釘頭部臺階處斷裂前就存在銹蝕,斷口低倍形貌如圖15-33。
斷口其他區域的微觀形貌為扇形解理形貌,見圖15-34。
圖15-33 斷口低倍形貌 圖15-34 斷口微觀形貌
取未安裝的焊釘對倒角處(安裝斷裂處)進行檢查:焊釘未安裝時倒角處未發現有折疊和其他缺陷,如圖15-35(a、b、c)所示。
取安裝后的焊釘對倒角處(安裝斷裂處)進行檢查:焊釘安裝后倒角處存在明顯的折疊情況,安裝后焊釘倒角處形貌,見圖15-36(a、b、c)。
焊釘倒角處存在明顯折疊,見圖15-36 a中園圈處;
對圖15-36 a中園圈處的折疊進行放大,放大形貌見圖15-36 b。
對圖15-36 b進行金相組織檢查,發現焊釘在安裝鐓鉚時倒角處產生了折疊,見圖15-36 c。
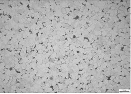
沿焊釘斷裂面縱向剖開制成金相試樣,進行金相組織檢查觀察,焊釘的顯微組織為鐵素體,及少量沿鐵素體晶界分布的珠光體,見圖15-37。
圖15-37 焊釘顯微組織
用直讀光譜法對焊釘進行材料化學成分分析,成分分析結果,符合Q195成分要求。
15.5.2 分析與討論
焊釘化學成分和顯微組織均符合要求。焊釘的顯微組織為鐵素體及少量沿鐵素體晶界分布的珠光體,組織未見異常。
焊釘斷裂部位在焊釘的頭部臺階位置,斷口平整,整個斷面呈深灰色,附近無明顯塑性變形,斷面可見明顯的解理棱線,表現為脆性斷裂特征。
焊釘的倒角處形貌檢查,焊釘在未安裝前倒角呈圓弧形,未發現有折疊和其他缺陷,;安裝后倒角呈尖角形,為應力集中處,產生了折疊裂紋,折疊是在安裝鐓鉚時產生的。
部分有折疊裂紋的焊釘,在使用過程中受到腐蝕而顯示出嚴重的銹蝕,在應力作用下,銹蝕處的折疊裂紋不斷擴展最終斷裂。
在掃描電鏡下觀察,斷口的斷裂源為銹蝕處,說明焊釘受到應力腐蝕的作用,銹蝕處的折疊裂紋在持續的載荷下,不斷擴展最終脆性斷裂。
15.5.3 結論與啟示
(1)焊釘斷裂的原因是應力腐蝕脆性斷裂。
(2)產生脆性斷裂的原因是焊釘安裝時在臺階倒角處產生了折疊裂紋,折疊裂紋處受到腐蝕而顯示出嚴重的銹蝕,在持續的載荷下應力腐蝕脆性斷裂。
(3)要制定合適的焊釘鐓鉚安裝工藝,防止在鐓鉚安裝時產生鐓鉚折疊裂紋。
(4)焊釘在使用過程中要避免接觸腐蝕介質,防止產生應力腐蝕斷裂。






浙公網安備 33042402000106號 a>

