特種鋼電車螺栓失效分析
安裝在發電車上的8.8級螺栓, 規格為M20×55,材質為45鋼,安裝扭矩為265N•m,未采用防松措施。該車總共安裝六枚螺栓,服役一段時間后發現三枚螺栓斷裂。
試驗過程與結果
故障螺栓的斷口穿過相鄰兩螺紋牙底和牙頂,無塑性變形,外表面涂層完好,見圖11-138。
圖11-138 故障螺栓宏觀形貌
斷裂螺栓斷面平坦,表面有輕微腐蝕及受外物磕碰造成的損傷,螺栓斷面上部(黑色箭頭所指處)有明顯的疲勞條帶,呈疲勞斷口特征。白色箭頭所指處的疲勞條帶不太明顯,根據疲勞條帶分布及斷口觀察,疲勞裂紋起源處應位于螺栓邊沿,紅色箭頭所指附近,見圖11-139所示。

圖11-139 試樣斷面宏觀形貌
圖11-140為螺栓斷面宏觀形貌,為方便分析將斷面分為A、B、C三區域。

圖11-140 斷面宏觀形貌
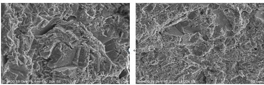
圖11-141、圖11-142所示分別為A區微觀形貌,可見準解理特征及舌狀花樣,A區為疲勞源區

圖11-141 A區微觀形貌 圖11-142 A區微觀形貌
圖11-143、圖11-144所示為B區微觀形貌,可見準解理特征及舌狀花樣。
圖11-144可見明顯的疲勞條帶,呈現疲勞斷裂特征,B區為疲勞裂紋擴展區。
圖11-145為C區形貌,可見準解理特征及較多二次裂紋,為最終斷裂區。

圖11-143 斷面B區微觀形貌 圖11-144 斷面B區微觀形貌
圖11-145 斷面C區微觀形貌
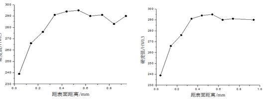
對斷裂螺栓進行牙底硬度梯度及心部硬度試驗,螺栓心部硬度符合《GB/T 3098.1-2010》對8.8級螺栓的要求;牙底表面由于脫碳,硬度較低。試驗結果牙底硬度梯度如圖11-146、心部硬度如圖11-147。
圖11-146 牙底硬度梯度 圖11-147 心部硬度
圖11-148為送檢螺栓心部金相組織,為回火索氏體及大量塊狀鐵素體,根據《GB/T 13320-2007 鋼質鍛模件 金相組織評級圖及評定方法》規定評定回火索氏體級別為5級。圖11-149所示為螺紋牙頂金相組織,牙頂存在半脫碳組織和折疊,牙頂折疊缺陷,深度約90μm,但未超過牙高的1/4。

圖11-148 斷裂螺栓心部金相組織 圖11-149 斷裂螺栓牙頂金相組織
圖11-150所示為螺紋牙側金相組織可見牙側存在半脫碳層,按照《GB/T 3098.1 - 2010緊固件機械性能 螺栓、螺釘和螺柱》9.10章節規定,采用硬度法檢測螺紋脫碳層深度,結果表明螺紋未脫碳高度E值和全脫碳層深度G值符合標準規定。
圖11-151所示為螺紋牙底金相組織,可見牙底呈圓弧過渡,存在輕微脫碳,無明顯不連續性缺陷。

圖11-150 斷裂螺栓牙側金相組織 圖11-151 斷裂螺栓牙底金相組織
失效螺栓非金屬夾雜物檢查,根據《GB-T 10561-2005 鋼中非金屬夾雜物含量的測定標準》滿足技術要求。
采用直讀光譜法對螺栓進行化學成分分析,其化學成分符合《GB/T 699-1999》標準中對45鋼的要求。
斷裂螺栓化學成分、表面不連續性、心部硬度等均符合標準要求,斷裂與材質無關。
斷面宏觀形貌顯示,斷面有大面積的疲勞條帶,呈疲勞斷裂特征,疲勞擴展區占整個斷面90%以上,疲勞條帶間距較窄,瞬斷區面積較小,可以判定螺栓的斷裂性質為高周疲勞斷裂,最終斷裂時所承受應力較小。
金相組織顯示心部有較多鐵素體,說明螺栓在調質過程中心部未被淬透,其大塊狀鐵素體造成強度相應較低。
雖然表面及心部硬度及脫碳層深度(E值、G值)指標符合《GB/T 3098.1-2010》的相關規定,根據《GB/T 5779.3-2000 緊固件表面缺陷 螺栓、螺釘和螺柱 特殊要求》規定,該類折疊屬于允許存在的缺陷。
但螺栓表面有半脫碳,螺紋上存在折疊缺陷。螺栓存在的脫碳和折疊,在靜載荷下服役,其性能尚能滿足使用要求,但是當螺栓在有振動或交變載荷下服役時,脫碳層的存在和折疊缺陷,就會導致螺栓表面疲勞強度降低,易在螺紋牙底等應力集中處萌生疲勞裂紋。
螺栓最終斷裂區面積較小,表明螺栓在最終斷裂時所承受的應力較小,說明螺栓斷裂前已經松動。在振動條件下工作的螺栓,若沒有有效的防松措施很容易產生松動,松動后的螺栓受力更加復雜,螺栓在復雜的交變應力作用下,已萌生的疲勞微裂紋容易進一步擴展,最后疲勞斷裂。
安裝在發電車上的該螺栓,未采用防松措施,螺栓在振動條件下服役,容易造成松動。由于螺栓表面有脫碳、螺紋上存在折疊缺陷、心部金相組織存在較多塊狀鐵素體,使螺栓強度降低;松動后易在螺紋牙底等應力集中處萌生疲勞裂紋,在交變應力作用下,已萌生的微裂紋進一步擴展,最后疲勞斷裂。
根據以上分析,可以得出如下結論與啟示:
(1)螺栓的斷裂性質是高周疲勞斷裂。
(2)螺栓表面有脫碳、螺紋上存在折疊缺陷、心部金相組織存在較多塊狀鐵素體;在在振動條件下螺栓松動并產生微裂紋,微裂紋在交變應力作用下疲勞擴展,最后疲勞斷裂。
(3)選材環節,由于45鋼淬透性較差,一般不生產M12以上規格的8.8級螺栓,建議選用ML40Cr或ML35CrMo鋼。
(4)加強熱處理過程控制,防止螺栓表面脫碳及改善金相組織。
(5)加強螺紋成型的工藝控制,防止螺栓滾壓螺紋時產生螺紋折疊。
(4)設計環節,當螺栓服役工況有振動或交變載荷時,對于螺栓表面脫碳的要求不應局限于《GB/T 3098.1-2010》的簡單要求,并在安裝過程中采取有效的防松措施。






浙公網安備 33042402000106號 a>

