螺桿腐蝕形貌檢測
40Cr鋼螺桿,規格為M36,高頻感應線圈淬火+回火處理后檢查,發現螺桿表面有縱向裂紋,局部有螺紋脫落現象。
16.4.1 試驗過程與結果
對裂紋件宏觀檢查,裂紋沿螺桿縱向貫通螺桿,裂紋指向螺桿中心部位,縱向裂紋上螺紋有脫落,嚴重處有熔化金屬產物,如圖16-16、圖16-17。

圖16-16螺桿缺陷宏觀形貌 圖16-17螺桿橫截面缺陷形貌
截取裂紋螺桿一段進行金相組織檢查:
在對螺桿試樣截面進行磨拋侵蝕的過程中,發現螺桿試樣截面接受侵蝕的能力不一樣。試樣截面的宏觀形貌上,外圈與內圈處有明顯的界線,出現不同的腐蝕顏色,見圖16-18。

圖16-18 截面侵蝕后宏觀形貌
對螺桿試樣截面進行金相制樣,顯微鏡觀察:
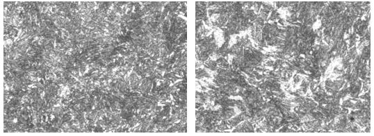
試樣截面外圈處的組織為回火索氏體+鐵素體,見圖16-19;
試樣截面外圈向內至中心處的大部分組織為回火索氏體+大塊狀鐵素體,見圖16-20

圖16-19 外圈處組織 500× 圖16-20中心處組織500×
裂紋處組織檢查,裂紋沿軸線方向分布,裂紋較粗大,內部有脫落晶粒,沿晶粒開裂有分支,屬過燒引起的晶界破壞,其組織形貌見圖16-21、圖16-22。

圖16-21 裂紋形貌 100× 圖16-22 裂紋放大形貌 500×
對螺桿進行直讀光譜化學成分分析,結果符合《GB/T 3077-1999》標準材料為40Cr鋼要求。
16.4.2 分析與討論
螺桿不存在混料問題。裂紋件橫截面組織有不同,外圈組織為保持回火索氏體,外圈內至中心的組織為回火索氏體+大塊狀鐵素體,說明該螺桿高頻感應線圈淬火、回火處理工藝不當,螺桿淬火沒有淬透,中心大部分區域存在大塊狀鐵素體組織。
感應加熱的特性為,外圈升溫快,內部升溫慢(集膚效應)。并且隨著感應線圈電流頻率的升高,集膚效應越明顯,在高頻下工件感應電流透入深度只有幾個mm,造成螺桿淬火不充分,回火后產生幾種回火組織。
螺桿表面裂紋處局部有熔化金屬產物,造成局部螺紋有脫落,說明該螺桿高頻感應線圈淬火時,表面溫度過高。
從螺桿裂紋缺陷的兩側被燒熔及金屬熔化,裂紋口金屬脫落,說明在高頻感應線圈淬火、回火處理之前裂紋就已存在,螺桿已存在的裂紋,在高頻感應線圈淬火過程中因溫度急劇上升,產生過燒及金屬熔化,裂紋口熔化金屬脫落。
另外,螺桿高頻感應線圈淬火、回火處理,不會造成縱向裂紋;螺桿表面的沿軸線方向分布,無分支的裂紋,往往來源于原材料。
該螺桿的加工工藝很簡單,如果精度要求高的,先磨螺桿胚徑,然后采用專用滾絲機滾壓螺紋;精度要求不高的,采用原材料拉拔到胚徑尺寸,直接用專用滾絲機滾壓螺紋;加工過程不可能產生表面縱向裂紋。
從螺桿的加工過程和裂紋缺陷的形態,說明螺桿上的裂紋為原材料裂紋。螺桿表面存在
由于螺桿表面存在裂紋,在高頻感應線圈淬火、回火處理過程中,裂紋處電阻大,致使溫度急劇上升,使裂紋兩側產生過燒及金屬熔化,裂紋口熔化金屬脫落。
16.4.3 結論與啟示
(1)由于螺桿表面有原材料裂紋,在高頻感應線圈淬火、回火處理過程中,裂紋處電阻大,致使溫度急劇上升,產生過燒及金屬熔化,裂紋口熔化金屬脫落。
(2)高頻感應線圈淬火、回火處理過程中,要防止螺桿淬火不充分得到不合格的組織。
(3)螺桿投產前增加螺桿胚徑的表面質量檢查。






浙公網安備 33042402000106號 a>

