礦機用斷裂雙頭螺栓失效原因分析
某礦機用雙頭螺栓,規格為φ20×150,等級為10.9級,材質為35Cr鋼,表面發黑處理。安裝在礦機橋殼上固定主減速器,服役約2000h發生斷裂。
螺栓在螺紋處斷裂,斷口斷面的邊沿位于螺紋的牙底和牙側,斷口見圖11-152、圖11-153。
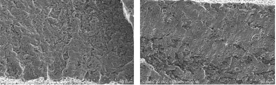
圖11-152 斷裂件斷口宏觀照片 圖11-153 斷面低倍形貌
對斷口進行檢查,圖11-153為送檢螺栓斷面低倍形貌,可見斷面邊緣位于螺紋處牙底和牙側面,表面無明顯腐蝕產物和冶金缺陷,斷面左右兩側較平整光滑,邊緣光亮,左右兩側的光滑斷面間由一粗糙的帶狀區域所分隔,該帶狀區域約占整個斷面面積的10%,現將整個斷面分為A1區、A2區、B1、B2區和C1、C2區進行進一步微觀觀察。圖11-154為斷面A1、A2區邊沿微觀形貌。
圖11-155、圖11-156為圖11-153斷面的A1、A2區微觀形貌,表面有磨損痕跡,邊沿有較多的裂紋源臺階,表面的磨損、擠壓痕跡處為裂紋源區。
圖11-154 斷面A1、A2區邊沿微觀形貌
圖11-155 斷面A1區微觀形貌 圖11-156斷面A2區微觀形貌
圖11-157、圖11-158所示為斷面B1、B2區微觀形貌,可見明顯的疲勞條帶,疲勞條帶間距較小,為裂紋擴展區。
圖11-157 斷面B1區微觀形 圖11-158 斷面B2區微觀形
圖11-159、圖11-160所示為斷面C區微觀形貌,可見大量等軸韌窩,為最終斷裂區。
圖11-159 斷面C區微觀形貌 圖11-160 斷面C區微觀形貌
金相檢查,圖11-161所示為斷裂螺栓心部金相組織,為回火索氏體組織。
圖11-161 斷裂螺栓心部金相組織
圖11-162、圖11-163所示為牙側有折疊缺陷,其法向深度為55μm,未超
過牙高的1/4,且未延伸至中徑以下。
圖11-162斷裂螺栓牙側折疊缺陷 圖11-163斷裂螺栓牙側折疊缺陷
硬度檢測,斷裂螺栓的表面及心部硬度,試驗結果為386HV0.3、375 HV0.3、符合《GB/T 3098.1-2010》320-380HV0.3標準規定。
采用直讀光譜法對螺栓進行化學成分分析,結果符合《GB/T3077-1999》標準中對35CrMo鋼的要求。
斷裂螺栓金相組織、表面缺陷、表面及心部硬度及非金屬夾雜、化學成分等均符合技術要求;但該螺栓在螺紋處存在折疊缺陷。
折疊缺陷在螺栓安裝后只是受到靜載荷的拉應力作用時,此類折疊缺陷對螺栓的使用影響不大;如果螺栓安裝后受到交變或震動載荷的作用,螺紋部位的折疊缺陷就可能成為裂紋源。
斷口面掃描電鏡微觀形貌顯示,斷面有2個擴展區,且都有明顯疲勞條帶,呈典型疲勞斷裂特征,疲勞條帶間距較窄。2個疲勞源均為多源臺階裂紋,都位于斷面邊緣的螺紋牙底和牙側面,并有明顯的擠壓磨損痕跡;終斷區面積較小;說明螺栓斷裂時所承受應力較小,該螺栓斷裂呈彎曲交變載荷下的高周、低應力疲勞斷裂特征。
車輛運行時,橋殼因內部構件工作及車輛震動而受到交變載荷作用,螺栓若在震動過程中發生松動便會使橋殼發生相對位移,從而導致螺栓受力狀態發生改變,發生松動后的螺栓受力較復雜,有震動交變應力、拉應力、剪應力、彎曲應力。此時,在復雜交變載荷作用下,應力集中的螺紋牙底或牙側的折疊缺陷處易成為疲勞裂紋源,疲勞裂紋在交變載荷作用下不斷擴展,最終螺栓疲勞斷裂。
根據以上分析,可以得出如下結論與啟示:
(1)螺栓的斷裂性質為高周低應力疲勞斷裂。
(2)螺栓服役過程中發生松動是導致其疲勞斷裂的根本原因。
(3)螺栓在螺紋處存在折疊缺陷也是造成疲勞斷裂的原因之一。
(4)建議螺栓在螺紋滾壓加工時控制折疊缺陷的產生。
(5)建議螺栓安裝時嚴格控制預緊力并采用防松措施,定期檢查螺栓預緊情況。






浙公網安備 33042402000106號 a>

