35K六角頭螺栓非正常斷裂分析
六角頭螺栓,規格為M12×70,性能等級為8.8級,材質為35K,表面鍍黃鋅。螺栓出廠試驗時發生非正常斷裂。
試驗過程與結果
對斷裂件檢查,斷裂螺栓斷口位于頭下,呈V字形,兩側差異明顯,斷裂螺栓的宏觀形貌,見圖13-1。
圖13-1 斷裂螺栓宏觀形貌
斷裂螺栓頭部斷口主要分為兩部分(A、B),斷口A部分的斷面銹蝕嚴重, B部分的斷面則為纖維狀金屬本色,斷裂螺栓斷口的宏觀形貌,見圖13-2。
圖13-2 斷裂螺栓宏觀形貌
(1)掃描電鏡觀察
斷裂螺栓頭部斷口掃描電鏡觀察,斷口兩側斷面存在明顯的顏色反差,A區表面氧化嚴重,顏色較深,而B區顏色較淺,為新鮮斷口,見圖13-3。
圖13-3 斷面背散射電子圖像
對A區斷面掃描電鏡圖像及能譜分析結果:能譜分析,A區斷面外側邊緣含較多的Zn、Cl元素,見圖13-4。
圖13-4 A區斷面形貌及能譜分析
A區斷面內側的微觀形貌,可見表面氧化嚴重,見圖13-5。。
圖13-5 A區斷面內側微觀形貌
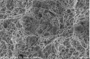
對B區斷面掃描電鏡圖像觀察,B區微觀形貌,B區無氧化,可見大量等軸韌窩,見圖13=6。
圖13-6 B區斷面微觀形貌
(2)化學分析
用直讀光譜法對螺栓進行化學成分分析,分析結果,螺栓的化學成分符合JIS G3507.1-2005標準中SWRCH35K鋼的要求。
(3)硬度檢測
對螺栓進行表面硬度梯度及心部硬度試驗,表面硬度205~300 HV10;心部硬度301~306HV10;螺栓硬度符合標準GB/T 3098.1-2010的相關規定,結果如圖13-7所示。
圖13-7 硬度梯度檢測值
(4)金相檢查
斷裂螺栓的心部金相組織,為回火索氏體,見圖13-8。
斷裂螺栓的螺紋處金相組織,螺紋表面有輕微脫碳,見圖13-9。
圖13-8 螺栓心部金相組織 圖13-9螺紋表層金相組織
分析與討論
螺栓材質合格,斷裂螺栓的心部金相組織為回火索氏體,熱處理溫度基本無問題,但熱處理保護氣氛控制不好,造成螺栓表面和螺紋表面有輕微脫碳,硬度檢查時,表面硬度梯度比心部硬度稍低一些。螺栓斷裂與材質、熱處理、輕微脫碳等無直接關系。
斷裂螺栓的斷口有兩個區域,其中一個區域被氧化腐蝕嚴重,另一個區域為新鮮斷口。氧化嚴重的區域邊緣有電鍍時滲入的Zn、Cl等元素。該螺栓生產后未曾接觸含有Cl的腐蝕物,只有在電鍍時才能接觸到Zn和Cl。螺栓斷口邊緣發現Zn和Cl,說明電鍍前已有裂紋存在,電鍍過程中從裂紋處滲入了Zn和Cl,隨后的清洗過程中不能把裂紋內的電鍍溶液清洗干凈,使Zn和Cl殘留在裂紋內。
斷裂螺栓的斷裂位置為螺紋收尾處,螺紋收尾處由位于螺栓頭下,此處應力集中;在熱處理冷卻過程中,應力集中處生產淬火裂紋。
由于淬火裂紋的存在,裂紋在回火過程中被氧化,電鍍過程中從裂紋處滲入了Zn和Cl。
該裂紋較深,使螺栓承載面積減小,從而導致其安裝試驗時提前斷裂。
結論與啟示
(1) 螺栓頭下存在一條較深的淬火裂紋,導致其安裝試驗時提前斷裂。
(2) 全螺紋螺栓的螺紋收尾處位于螺栓頭下,無論是滾壓或搓絲螺紋,螺栓頭下的螺紋收尾處位應力集中很明顯;因此,建議在熱處理前增加一次去應力退火,消除加工殘余應力,防止熱處理時在應力集中處生產淬火裂紋。






浙公網安備 33042402000106號 a>

