|
適用范圍
金屬材料、緊固件
檢測周期 一般4-7個工作日出報告,有加急服務。 檢測價格 盡力提供價格優惠最佳解決方案。公司遵守適度利潤+與客戶共贏的理念,優質服務+誠信檢測為您創見更高價值。 國檢檢測報告的作用 1、在產品銷售或采購時,幫助交易雙方增進信任,促進成交; 2、在工程或項目投標時,證明產品質量; 3、在爭議仲裁,通過技術判斷協助區分各方責任; 4、在工藝改進或科研時,利用數據分析,查找問題根源。 |
|
咨詢熱線:400-1188-260 13372307781
立即咨詢就有機會獲取優惠 |
|
檢測參數 |
|
持久強度極限、持久壽命、斷后伸長率、斷面收縮率、缺口敏感系數等 |
|
可試驗樣品 |
|
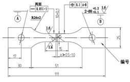
最小棒材:Φ8*66mm;最小板材:厚度0.5-1,寬度25,長度111mm
光滑試樣
光滑-缺口組合試樣
板材試樣
|
|
認可的方法標準 |
|
GJB 715.12-1990緊固件試驗方法 應力持久性 GJB 715.27-1990緊固件試驗方法 應力持久性—內螺紋緊固件 GJB715.29-1990緊固件試驗方法 應力斷裂 NASM1312-10-2017緊固件試驗方法 應力斷裂 NASM 1312-5-2012緊固件試驗方法 應力持久性 NASM 1312-14-2002緊固件試驗方法 應力持久性—內螺紋緊固件 QJ 1750-1989MJ螺紋緊固件 螺栓試驗方法 HB 5150-1996金屬高溫蠕變持久實驗方法 HB 5207-1982金屬高溫周期持久試驗方法 |


















浙公網安備 33042402000106號 a>

