結構鋼螺栓
(1) 30CrMnSiA螺栓
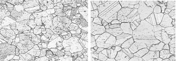
A. 30CrMnSiA螺栓,調質金相組織為回火索氏體,見圖5-1。
圖5-1 30CrMnSiA螺栓調質后的金相組織
B. 30CrMnSiA螺栓熱處理工藝
淬火:鹽浴加熱,900℃ 10min
回火:堿浴或硝鹽浴加熱,500℃ 40min,水冷
(2) 40CrNiMoA螺栓
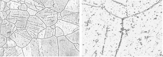
A. 40CrNiMoA螺栓調質金相組織為回火索氏體,見圖5-2。
圖5-2 40CrNiMoA合金螺栓調質金相組織400×
B. 40CrNiMoA螺栓熱處理工藝
淬火:鹽浴加熱,850℃ 10min,油冷
回火:堿浴加熱,530℃ 40min,水冷
(3) 18Cr2Ni4WA螺栓
A. 18Cr2Ni4WA螺栓產品金相組織為回火索氏體,見圖5-3(a,b)。
a 200× b 400×
圖5-3 18Cr2Ni4WA螺栓調質金相組織
B. 18Cr2Ni4WA螺栓熱處理工藝
淬火:真空爐加熱,860℃×60min,油冷
回火:真空爐加熱,550±20℃×120min,氣冷
(4) ML16CrSiNiA螺栓金相組織和熱處理工藝
A. ML16CrSiNiA螺栓金相組織為回火索氏體,見圖5-6。
圖5-6 ML16CrSiNiA螺栓調質金相組織400×
B. ML16CrSiNiA螺栓熱處理工
淬火:真空爐加熱,925℃ 80min,油冷
回火:真空爐加熱,460℃ 120min,油冷
不銹鋼螺栓
(1) 1Cr11Ni2W2MoV螺栓
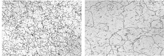
A. 1Cr11Ni2W2MoV螺栓金相組織為回火索氏體,見圖5-7。
圖5-7 1Cr11Ni2W2MoV螺栓淬火高溫回火金相組織 200×
B. 1Cr11Ni2W2MoV螺栓熱處理工藝
淬火:真空爐加熱,1000℃ 60min,油冷
回火:真空爐加熱,550℃ 120min,氣冷
(2) 1Cr12Ni2WMoVNb不銹鋼螺栓
A.1Cr12Ni2WMoVNb螺栓金相組織為索氏體,見圖5-8。
圖5-8 1Cr12Ni2WMoVNb螺栓淬火回火金相組織 200×
B. 1Cr12Ni2WMoVNb合金螺栓熱處理工藝
淬火: 真空爐加熱,1120℃ 60min,油冷
回火: 真空爐加熱,670℃ 90min,氣冷
穩定化回火:真空爐加熱,450℃ 120min,氣冷
(3) 1Cr18Ni9Ti螺栓
A.1Cr18Ni9Ti螺栓金相組織為奧氏體,見圖5-9。
圖5-9 1Cr18Ni9Ti螺栓固溶處理金相組織 200×
B. 1Cr18Ni9Ti螺栓熱處理工藝
淬火:真空爐加熱,1070℃ 60 min,空冷
(4) 3Cr13不銹鋼螺栓
A. 3Cr13螺栓金相組織為回火索氏體,見圖5-10。
圖5.10 3Cr13螺栓調質金相組織200×
B. 3Cr13螺栓熱處理工藝
淬火:真空爐加熱,1030℃ 80min,油冷
回火:堿浴加熱, 600±30℃ 60min,水冷
(5) Cr17Ni2不銹鋼螺栓
Cr17Ni2不銹鋼螺栓金相組織為索氏體+鐵素體,見圖5-11。
圖5-11 Cr17Ni2螺栓調質金相組織
B. Cr17Ni2螺栓熱處理工藝
淬火:真空爐加熱,1030℃ 80min,油冷
回火:真空爐加熱,530℃ 60min,水冷
A286合金螺栓金相組織與熱處理工藝
A. A286合金螺栓金相組織,晶粒度為8級,見圖5-12(a,b)。
a 100× b 400×
圖5-12 A286螺栓固溶時效金相組織
B. A286合金螺栓熱處理工藝
固溶:890℃×1.5h,油冷
時效:720℃×16h,氣冷。
(2) GH2132合金螺栓
A. GH2132合金螺栓金相組織,晶粒度為5~6級,見圖5-13(a,b)。
a 100× b 400×
圖5-13 GH2132螺栓固溶時效金相組織
B. GH2132螺栓熱處理工藝
固溶:980℃ 1.5h, 油冷
時效:720℃ 16~20h, 氣冷
(3) GH159 合金螺栓
A. GH159合金螺栓金相組織,晶粒度為3~4級,見圖5-14(a,b)。
a 100× b 400×
圖5-14 GH159螺栓時效金相組織
B. GH159螺栓熱處理工藝
GH159螺栓的原材料為冷拉變形(48%),冷拉變形后不采用固溶工藝,直接加工產品然后時效。時效:663℃×4~4.5h,氣冷。
(4) GH80A合金螺栓
A. GH80A合金螺栓金相組織,晶粒度為4~5級,見圖5-15(a,b)。
a 100× b 200×
圖5-15 GH80A螺栓固溶時效金相組織
B. GH80A螺栓熱處理工藝
固溶:1080℃保溫 8h,氣冷
時效:700℃保溫 16h,氣冷
(5) GH141合金螺栓
A. GH141合金螺栓金相組織,晶粒度為7~8級,見圖5-16(a,b)。
a 100× b 400×
圖5-16 GH141螺栓固溶時效金相組織
B. GH141螺栓熱處理工藝
固溶:1030℃ 1h,油冷或氣冷
時效:760℃ 16h,氣冷
(6) GH4698螺栓
A. GH4698合金螺栓金相組織,晶粒度為3~4級,見圖5-17(a,b)。
a 100× b 400×
圖5-17 GH4698螺栓固溶時效金相組織
B. GH4698螺栓熱處理工藝
固溶:1100℃ 8h,氣冷+1000℃ 4h,氣冷
時效:770℃ 16h,氣冷
(7) GH4049螺栓
A. GH4049合金螺栓金相組織,晶粒度為3~4級,見圖5-18(a,b)。
a 100× b 800×
圖5-18 GH4049螺栓固溶時效金相組織
B. GH4049螺栓熱處理工藝
固溶:1050℃ 1h,油冷或氣冷
時效:760℃ 16h,氣冷
(8) GH3030合金螺栓
A. GH3030合金螺栓金相組織,晶粒度為6~7級,見圖5-19(a,b)。
a 100× b 400×
圖5-19 GH3030螺栓固溶時效金相組織
B. GH3030螺栓熱處理工藝
固溶:1030℃1h,油冷或氣冷
時效:760℃16h,氣冷
(9) GH4169合金螺栓
A. GH4169合金螺栓金相組織,晶粒度為6級,見圖5-21。
圖5-21 GH4169螺栓固溶時效金相組織 100×
B. GH4169合金螺栓熱處理工藝
固溶:954℃ 1.5h,氣冷
時效:718℃保溫8 h,以56℃/h冷速冷到621℃保溫8 h,氣冷。
(10) GH738螺栓
A. GH738合金螺栓金相組織,晶粒度為5~6級,個別3級,見圖5-22。
圖5-22 GH738螺栓固溶時效金相組織100×
B. GH738合金產品熱處理工藝
固溶:1030℃ 1h,油冷或氣冷
穩定化:850℃ 4h,氣冷
時效:760℃ 16h,氣冷
(11) GH4169螺栓螺紋滾壓加工后的晶粒流線組織
GH4169螺栓螺紋滾壓加工后,螺紋經滾壓加工造成晶粒組織因滾壓產生變形拉長,形成晶粒流線組織,見圖5-23 (a,b)。
a b
圖5-23 GH4169螺栓滾壓加工后的晶粒流線組織



